Yksisivuventtiili
tuotteen yksityiskohdat
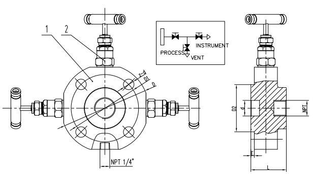
NSV Monoflange sen yksiosaisen rakenteen vuoksi, joka kestää korkeita ylipaineita. Se varmistaa mittauslaitteen tukevan ja pienikokoisen kiinnityksen suoraan prosessin laippaan. Metalli- ja grafiittitiivisteiden käyttö mahdollistaa työskentelyn korkeissa lämpötiloissa.
Yhdessä paineenmittauslaitteiden, kalvotiivisteiden tai tasomittauslaitteiden kanssa venttiilit soveltuvat käytettäväksi kriittisissä sovelluksissa, kuten jalostamoissa tai höyrynkehitysjärjestelmissä.
Yhdistämällä asiakkaan määrittelemät venttiilit yhdeksi jakoputkeventtiiliksi, NSV: n yksireiät vähentävät merkittävästi potentiaalisten vuotojen määrää. Yksilaipoilla on myös pienempi järjestelmämassa, mikä vähentää kuormaus- ja värähtelyrasituksia parantaen entisestään turvallisuutta ja luotettavuutta. NSV Monoflange -laitteessa on ensisijainen ja toissijainen neulaventtiili kuin palloventtiilit. Jotkut operaattorit suosittelevat yksirengaslaippaa, koska se on pienempi kuin perinteinen kaksoislohko ja ilmausventtiili, mikä antaa entistä enemmän tilaa ja painoetuja. Näin varmistetaan, että yksirei'itys on kustannustehokas vaihtoehto omistajalle / käyttäjille.
Yksilaippa mahdollistaa asennusvaihtoehtojen sopivuuden riippumatta siitä, onko putkilinja pystysuora vai vaakasuora. Mittari tai paineanturi voidaan asentaa joko rungon etupintaan tai ulkohalkaisijaan hyvän orientoinnin ja lukemisen helpottamiseksi.
Materiaali: A105, F304, F316, ETC.
Kokoluokka: 1/2 "~ 2", suuret koot tilauksesta
Painearvo: ASME CL, 150 - 2500 lb.
Suunnittelu Kuvaus:
• Yksiosainen taottu rakenne
• Kiinteät kaksi ja yksi holkkiliitännät, mikä vähentää mahdollisia vuotoja
• Alennettu paino
• Alennetut asennuskustannukset - voidaan asentaa nopeammin kuin perinteiset venttiilit
• Paloturvalliset versiot, jotka ulottuvat lämpötilaan 538˚C

Yksisivulaitteen sovellukset:
· Paineenmittauslaitteiden sulkeminen ja ilmaus.
· Kierteellä varustetut instrumentit laippakiinnityksellä putkistoihin tai astioihin.
· Aggressiivisille nesteille, kaasuille ja höyryille, myös aggressiivisissa ympäristöissä.
· Öljy- ja kaasuteollisuus, kemian- ja petrokemianteollisuus, voimalaitokset, primäärimetallit.
Ohje
1. K: Mitä yrityksesi tuotemerkki voi toimittaa?
V: NSV- tai OEM-palvelu.
2. K: Onko yritykselläsi edustajaa / jakelijaa Kiinaa lukuun ottamatta?
V: Tällä hetkellä meillä on edustaja Indonesiassa, Singaporessa, Kanadassa, Meksikossa, Irakissa. Tervetuloa ottamaan yhteyttä, jos haluat liittyä meihin.
3. K: Oletko valmistaja tai kauppayritys?
V: Olemme valmistaja, mutta tehtaamme nimeä ei ole nimeltään NSV, koska olemme ammattilaisia edistämään NSV-tuotemerkkiä, jolla on paras palvelu, ja olemme myös myyneet monille loppukäyttäjien menestyksille.
Suositut Tagit: yksisäiliöventtiili, Kiina, valmistajat, toimittajat, tehdas, valmistettu Kiinassa
Seuraava
EiSaatat myös pitää
Lähetä kysely













